| Stato di disponibilità: | |
|---|---|
| Quantità: | |
Un cuscinetto da lucentezza o slew [ing] anello è un rotazionale cuscinetto ad elementi rotolanti o cuscinetto semplice Ciò supporta in genere un carico pesante ma lento o lento, spesso una piattaforma orizzontale come una convenzionale gru, un yarder swingo la piattaforma rivolta al vento di un asse orizzontale mulino a vento. (A "slew " significa girare senza cambio di luogo.)
Rispetto ad altri cuscinetti ad elementi rotanti, i cuscinetti a goccia sono sottili nella sezione e sono spesso realizzati in diametri di un metro o più; i cuscinetti a splewing sul file Ruota Falkirk sono di 4 metri di diametro e si adattano a un asse da 3,5 metri. I cuscinetti a splewing assomigliano ai cuscinetti della superficie di controllo dell'aeromobile di grandi dimensioni.
I cuscinetti a splewing usano spesso due file di elementi rotolanti. Spesso ne usano tre gara elementi, come un anello interno e due anelli esterni "metà" che si uniscono assialmente.
I cuscinetti delle splewing sono spesso realizzati con i denti degli ingranaggi integrati con la gara interna o esterna, utilizzata per guidare la piattaforma rispetto alla base.
Per quanto riguarda altri cuscinetti che ricambiano, piuttosto che ruotare continuamente, la lubrificazione può essere difficile. Il cuneo di olio Costruito in un cuscinetto in continua rotazione è interrotto dal movimento di arresto della mancia. Invece, a cuscinetto idrostatico con un flusso di olio pompata può essere utilizzato.
Il cuscinetto a carrello a rullo a rullo a fila singola, è composto da due sedili, struttura compatta, alta precisione, altezza da montaggio ridotta, per l'accuratezza dell'installazione è elevato, il rullo di 1: 1 croce disposto, può sopportare la forza assiale contemporaneamente, il ribaltamento Momento e grande forza radiale, sono ampiamente utilizzati per trasportare, macchinari ingegneristici e prodotti militari.

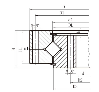
No | Modello PDF.Format | Dimensions | Dimensione di montaggio | Dimensione strutturale | Il peso kg | |||||||||
D | d | H | D1 | D2 | n | mm | N1 | D3 | D1 | H1 | h | |||
1 | HJB.20.625 | 725 | 525 | 80 | 685 | 565 | 18 | 18 | 3 | 627 | 623 | 68 | 12 | 100 |
2 | HJB.20.720 | 820 | 620 | 80 | 780 | 660 | 18 | 18 | 3 | 722 | 718 | 68 | 12 | 120 |
3 | HJB.30.820 | 940 | 705 | 95 | 893 | 749 | 24 | 20 | 4 | 822 | 818 | 83 | 12 | 210 |
4 | HJB.30.880 | 1000 | 760 | 95 | 956 | 800 | 24 | 20 | 4 | 882 | 878 | 83 | 12 | 230 |
5 | HJB.30.1020 | 1170 | 875 | 95 | 1120 | 930 | 24 | 22 | 4 | 1022 | 1018 | 80 | 15 | 300 |
6 | HJB.36.1220 | 1365 | 1075 | 120 | 1310 | 1130 | 36 | 24 | 6 | 1222 | 1218 | 105 | 15 | 450 |
7 | HJB.36.1250 | 1400 | 1090 | 120 | 1350 | 1150 | 36 | 26 | 6 | 1252 | 1248 | 105 | 15 | 520 |
8 | HJB.36.1435 | 1595 | 1278 | 120 | 1535 | 1335 | 36 | 26 | 6 | 1437 | 1433 | 105 | 15 | 610 |
9 | HJB.45.1540 | 1720 | 1360 | 140 | 1660 | 1420 | 42 | 26 | 6 | 1543 | 4537 | 122 | 18 | 732 |
10 | HJB.45.1700 | 1875 | 1525 | 140 | 1815 | 1585 | 42 | 29 | 6 | 1703 | 1697 | 122 | 18 | 844 |
11 | HJB.45.1880 | 2100 | 1665 | 160 | 2030 | 1740 | 48 | 32 | 6 | 1883 | 1876 | 140 | 20 | 1400 |
12 | HJB.45.2115 | 2325 | 1900 | 160 | 2245 | 1980 | 48 | 32 | 6 | 2118 | 2112 | 140 | 20 | 1600 |
13 | HJB.45.2370 | 2600 | 2146 | 180 | 2520 | 2220 | 48 | 32 | 6 | 2373 | 2367 | 158 | 22 | 2100 |
Un cuscinetto da lucentezza o slew [ing] anello è un rotazionale cuscinetto ad elementi rotolanti o cuscinetto semplice Ciò supporta in genere un carico pesante ma lento o lento, spesso una piattaforma orizzontale come una convenzionale gru, un yarder swingo la piattaforma rivolta al vento di un asse orizzontale mulino a vento. (A "slew " significa girare senza cambio di luogo.)
Rispetto ad altri cuscinetti ad elementi rotanti, i cuscinetti a goccia sono sottili nella sezione e sono spesso realizzati in diametri di un metro o più; i cuscinetti a splewing sul file Ruota Falkirk sono di 4 metri di diametro e si adattano a un asse da 3,5 metri. I cuscinetti a splewing assomigliano ai cuscinetti della superficie di controllo dell'aeromobile di grandi dimensioni.
I cuscinetti a splewing usano spesso due file di elementi rotolanti. Spesso ne usano tre gara elementi, come un anello interno e due anelli esterni "metà" che si uniscono assialmente.
I cuscinetti delle splewing sono spesso realizzati con i denti degli ingranaggi integrati con la gara interna o esterna, utilizzata per guidare la piattaforma rispetto alla base.
Per quanto riguarda altri cuscinetti che ricambiano, piuttosto che ruotare continuamente, la lubrificazione può essere difficile. Il cuneo di olio Costruito in un cuscinetto in continua rotazione è interrotto dal movimento di arresto della mancia. Invece, a cuscinetto idrostatico con un flusso di olio pompata può essere utilizzato.
Il cuscinetto a carrello a rullo a rullo a fila singola, è composto da due sedili, struttura compatta, alta precisione, altezza da montaggio ridotta, per l'accuratezza dell'installazione è elevato, il rullo di 1: 1 croce disposto, può sopportare la forza assiale contemporaneamente, il ribaltamento Momento e grande forza radiale, sono ampiamente utilizzati per trasportare, macchinari ingegneristici e prodotti militari.

No | Modello PDF.Format | Dimensions | Dimensione di montaggio | Dimensione strutturale | Il peso kg | |||||||||
D | d | H | D1 | D2 | n | mm | N1 | D3 | D1 | H1 | h | |||
1 | HJB.20.625 | 725 | 525 | 80 | 685 | 565 | 18 | 18 | 3 | 627 | 623 | 68 | 12 | 100 |
2 | HJB.20.720 | 820 | 620 | 80 | 780 | 660 | 18 | 18 | 3 | 722 | 718 | 68 | 12 | 120 |
3 | HJB.30.820 | 940 | 705 | 95 | 893 | 749 | 24 | 20 | 4 | 822 | 818 | 83 | 12 | 210 |
4 | HJB.30.880 | 1000 | 760 | 95 | 956 | 800 | 24 | 20 | 4 | 882 | 878 | 83 | 12 | 230 |
5 | HJB.30.1020 | 1170 | 875 | 95 | 1120 | 930 | 24 | 22 | 4 | 1022 | 1018 | 80 | 15 | 300 |
6 | HJB.36.1220 | 1365 | 1075 | 120 | 1310 | 1130 | 36 | 24 | 6 | 1222 | 1218 | 105 | 15 | 450 |
7 | HJB.36.1250 | 1400 | 1090 | 120 | 1350 | 1150 | 36 | 26 | 6 | 1252 | 1248 | 105 | 15 | 520 |
8 | HJB.36.1435 | 1595 | 1278 | 120 | 1535 | 1335 | 36 | 26 | 6 | 1437 | 1433 | 105 | 15 | 610 |
9 | HJB.45.1540 | 1720 | 1360 | 140 | 1660 | 1420 | 42 | 26 | 6 | 1543 | 4537 | 122 | 18 | 732 |
10 | HJB.45.1700 | 1875 | 1525 | 140 | 1815 | 1585 | 42 | 29 | 6 | 1703 | 1697 | 122 | 18 | 844 |
11 | HJB.45.1880 | 2100 | 1665 | 160 | 2030 | 1740 | 48 | 32 | 6 | 1883 | 1876 | 140 | 20 | 1400 |
12 | HJB.45.2115 | 2325 | 1900 | 160 | 2245 | 1980 | 48 | 32 | 6 | 2118 | 2112 | 140 | 20 | 1600 |
13 | HJB.45.2370 | 2600 | 2146 | 180 | 2520 | 2220 | 48 | 32 | 6 | 2373 | 2367 | 158 | 22 | 2100 |
Casa | Riguardo a noi | Prodotti | notizia | Applicazione | Supporto | Contattaci
