| Stato di disponibilità: | |
|---|---|
| Quantità: | |
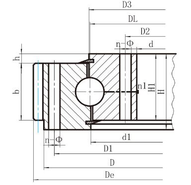
Gli anelli a spalla da contatto a quattro punti a fila singola sono composti da Due anelli di sedile, che progettano nella struttura compatta, contatto con sfere in acciaio con la corsa circolare a quattro punti; Può sopportare La forza assiale, la forza radiale e il momento dell'inclinazione allo stesso tempo.
Può essere utilizzato per il trasportatore di slewing, il manipolatore di saldatura, la luce e Gru di servizio medio, escavatore e altri macchinari da costruzione.
Tytle: singola riga a quattro punti a contatto cuscinetto esterno
Wight/kg: 100-8760

| No | Ingranaggio esterno | Dimensions | Dimensioni di montaggio | Dimensione strutturale | Dati degli ingranaggi | 齿轮 | 参考 | |||||||||||||
D | d | H | D1 | D2 | n | mm | N1 | D3 | D1 | H1 | h | b | x | m | De | z | 调质 | |||
1 | HSW.25.625 | 725 | 525 | 80 | 685 | 565 | 18 | 18 | 3 | 626 | 624 | 68 | 12 | 60 | 1.4 | 5 | 751.9 | 146 | 5.2 | 100 |
1.15 | 6 | 755.5 | 122 | 6.2 | ||||||||||||||||
2 | HSW.25.720 | 820 | 620 | 80 | 780 | 660 | 18 | 18 | 3 | 721 | 719 | 68 | 12 | 60 | 1.4 | 6 | 860.3 | 139 | 6.2 | 120 |
1 | 8 | 861.1 | 104 | 8.3 | ||||||||||||||||
3 | HSW.30.820 | 940 | 705 | 95 | 893 | 749 | 24 | 20 | 4 | 821 | 818 | 83 | 12 | 70 | 1.4 | 6 | 980.6 | 159 | 7.2 | 210 |
1 | 10 | 986.2 | 95 | 12.2 | ||||||||||||||||
4 | HSW.30.880 | 1000 | 760 | 95 | 956 | 800 | 24 | 20 | 4 | 881 | 878 | 83 | 12 | 70 | 1.15 | 8 | 1047.5 | 127 | 9.7 | 230 |
1 | 10 | 1046.3 | 101 | 12.2 | ||||||||||||||||
5 | HSW.30.1020 | 1170 | 875 | 95 | 1120 | 930 | 24 | 22 | 4 | 1021 | 1018 | 80 | 15 | 70 | 1.4 | 8 | 1219.3 | 148 | 9.7 | 300 |
1.15 | 10 | 1219.2 | 118 | 12.2 | ||||||||||||||||
6 | HSW.30.1220 | 1365 | 1075 | 120 | 1310 | 1130 | 36 | 24 | 6 | 1221 | 1218 | 105 | 15 | 90 | 1.4 | 10 | 1424.9 | 138 | 15.7 | 450 |
1 | 12 | 1435.9 | 116 | 18.8 | ||||||||||||||||
7 | HSW.35.1250 | 1400 | 1090 | 120 | 1350 | 1150 | 36 | 26 | 6 | 1251 | 1248 | 105 | 15 | 90 | -0.35 | 10 | 1443 | 143 | 15.7 | 520 |
1 | 12 | 1449.6 | 117 | 18.8 | ||||||||||||||||
8 | HSW.35.1435 | 1595 | 1278 | 120 | 1535 | 1335 | 36 | 26 | 6 | 1436 | 1433 | 105 | 15 | 90 | 1.15 | 12 | 1655.5 | 134 | 18.8 | 610 |
1 | 14 | 1661.2 | 115 | 21.9 | ||||||||||||||||
9 | HSW.35.1540 | 1720 | 1360 | 140 | 1660 | 1420 | 42 | 26 | 6 | 1541 | 1538 | 122 | 18 | 110 | 1.4 | 12 | 1780.8 | 144 | 23 | 732 |
1.15 | 14 | 1791.1 | 124 | 26.8 | ||||||||||||||||
10 | HSW.35.1700 | 1875 | 1525 | 140 | 1815 | 1585 | 42 | 29 | 6 | 1701 | 1698 | 122 | 18 | 110 | 1.15 | 14 | 1945.4 | 135 | 26.8 | 844 |
1.15 | 16 | 1950.8 | 118 | 30.5 | ||||||||||||||||
11 | HSW.40.1880 | 2100 | 1665 | 160 | 2030 | 1740 | 48 | 32 | 6 | 1881 | 1878 | 140 | 20 | 115 | 1.4 | 14 | 2189.8 | 152 | 27.8 | 1400 |
1.15 | 18 | 2194.6 | 118 | 35.8 | ||||||||||||||||
12 | HSW.40.2115 | 2325 | 1900 | 160 | 2245 | 1980 | 48 | 32 | 6 | 2116 | 2113 | 140 | 20 | 115 | 1.4 | 16 | 2406.5 | 146 | 31.9 | 1600 |
HSW.40.2115A | 1.15 | 20 | 2418.4 | 117 | 40 | |||||||||||||||
13 | HSW.40.2370 | 2600 | 2146 | 180 | 2520 | 2220 | 48 | 32 | 6 | 2371 | 2368 | 158 | 22 | 130 | 1.4 | 18 | 2707.3 | 146 | 40.7 | 2100 |
HSW.40.2370A | 1.15 | 22 | 2704.4 | 119 | 49.7 | |||||||||||||||
14 | HSW.40.2600 | 2835 | 2365 | 180 | 2750 | 2450 | 54 | 36 | 6 | 2601 | 2598 | 158 | 22 | 130 | 1.4 | 18 | 2941.7 | 159 | 37.6 | 2400 |
HSW.40.2600A | 1.15 | 22 | 2946.9 | 130 | 45.9 | |||||||||||||||
15 | HSW.50.2820 | 3085 | 2555 | 200 | 3000 | 2640 | 54 | 36 | 6 | 2822 | 2818 | 178 | 22 | 150 | 1.4 | 20 | 3188.4 | 155 | 52.2 | 3400 |
HSW.50.2820A | 1.15 | 25 | 3198.4 | 124 | 65.3 | |||||||||||||||
16 | HSW.50.3120 | 3400 | 2840 | 200 | 3310 | 2930 | 54 | 36 | 6 | 3122 | 3118 | 178 | 22 | 150 | 1.4 | 22 | 3507.2 | 155 | 57.4 | 4000 |
HSW.50.3120A | 1.4 | 25 | 3509.6 | 136 | 65.3 | |||||||||||||||
17 | HSW.50.3580 | 3920 | 3240 | 240 | 3820 | 3340 | 60 | 40 | 6 | 3582 | 3578 | 218 | 22 | 190 | 1.4 | 22 | 4036.1 | 179 | 72.7 | 6700 |
HSW.50.3580A | 1.4 | 25 | 4035.6 | 157 | 82.6 | |||||||||||||||
18 | HSW.50.4030 | 4370 | 3690 | 240 | 4270 | 3790 | 66 | 40 | 6 | 4032 | 4028 | 218 | 22 | 190 | 1.4 | 22 | 4520.6 | 201 | 53.6 | 7700 |
HSW.50.4030A | 1.4 | 28 | 4522.4 | 157 | 68.2 | |||||||||||||||
19 | HSW.50.4540 | 4860 | 4210 | 240 | 4760 | 4310 | 72 | 40 | 6 | 4542 | 4538 | 218 | 22 | 190 | 1.4 | 22 | 4983.1 | 222 | 72.1 | 8760 |
HSW.50.4540A | 1.4 | 30 | 4992.9 | 162 | 99.1 | |||||||||||||||
Nota:
1. N1 è il numero di fori lubrificanti. Coppa di olio M10 × 1JB/T7940.1 ~ JB/T7940.2
2. N-φ può cambiare in foro toccato, la larghezza del dente può cambiare in H-H.
3. La forza del dente tangenziale nella forma è la forza del dente massimo; La forza nominale del dente tangenziale è 1/2 di quella massima.
Gli anelli a spalla da contatto a quattro punti a fila singola sono composti da Due anelli di sedile, che progettano nella struttura compatta, contatto con sfere in acciaio con la corsa circolare a quattro punti; Può sopportare La forza assiale, la forza radiale e il momento dell'inclinazione allo stesso tempo.
Può essere utilizzato per il trasportatore di slewing, il manipolatore di saldatura, la luce e Gru di servizio medio, escavatore e altri macchinari da costruzione.
Tytle: singola riga a quattro punti a contatto cuscinetto esterno
Wight/kg: 100-8760

| No | Ingranaggio esterno | Dimensions | Dimensioni di montaggio | Dimensione strutturale | Dati degli ingranaggi | 齿轮 | 参考 | |||||||||||||
D | d | H | D1 | D2 | n | mm | N1 | D3 | D1 | H1 | h | b | x | m | De | z | 调质 | |||
1 | HSW.25.625 | 725 | 525 | 80 | 685 | 565 | 18 | 18 | 3 | 626 | 624 | 68 | 12 | 60 | 1.4 | 5 | 751.9 | 146 | 5.2 | 100 |
1.15 | 6 | 755.5 | 122 | 6.2 | ||||||||||||||||
2 | HSW.25.720 | 820 | 620 | 80 | 780 | 660 | 18 | 18 | 3 | 721 | 719 | 68 | 12 | 60 | 1.4 | 6 | 860.3 | 139 | 6.2 | 120 |
1 | 8 | 861.1 | 104 | 8.3 | ||||||||||||||||
3 | HSW.30.820 | 940 | 705 | 95 | 893 | 749 | 24 | 20 | 4 | 821 | 818 | 83 | 12 | 70 | 1.4 | 6 | 980.6 | 159 | 7.2 | 210 |
1 | 10 | 986.2 | 95 | 12.2 | ||||||||||||||||
4 | HSW.30.880 | 1000 | 760 | 95 | 956 | 800 | 24 | 20 | 4 | 881 | 878 | 83 | 12 | 70 | 1.15 | 8 | 1047.5 | 127 | 9.7 | 230 |
1 | 10 | 1046.3 | 101 | 12.2 | ||||||||||||||||
5 | HSW.30.1020 | 1170 | 875 | 95 | 1120 | 930 | 24 | 22 | 4 | 1021 | 1018 | 80 | 15 | 70 | 1.4 | 8 | 1219.3 | 148 | 9.7 | 300 |
1.15 | 10 | 1219.2 | 118 | 12.2 | ||||||||||||||||
6 | HSW.30.1220 | 1365 | 1075 | 120 | 1310 | 1130 | 36 | 24 | 6 | 1221 | 1218 | 105 | 15 | 90 | 1.4 | 10 | 1424.9 | 138 | 15.7 | 450 |
1 | 12 | 1435.9 | 116 | 18.8 | ||||||||||||||||
7 | HSW.35.1250 | 1400 | 1090 | 120 | 1350 | 1150 | 36 | 26 | 6 | 1251 | 1248 | 105 | 15 | 90 | -0.35 | 10 | 1443 | 143 | 15.7 | 520 |
1 | 12 | 1449.6 | 117 | 18.8 | ||||||||||||||||
8 | HSW.35.1435 | 1595 | 1278 | 120 | 1535 | 1335 | 36 | 26 | 6 | 1436 | 1433 | 105 | 15 | 90 | 1.15 | 12 | 1655.5 | 134 | 18.8 | 610 |
1 | 14 | 1661.2 | 115 | 21.9 | ||||||||||||||||
9 | HSW.35.1540 | 1720 | 1360 | 140 | 1660 | 1420 | 42 | 26 | 6 | 1541 | 1538 | 122 | 18 | 110 | 1.4 | 12 | 1780.8 | 144 | 23 | 732 |
1.15 | 14 | 1791.1 | 124 | 26.8 | ||||||||||||||||
10 | HSW.35.1700 | 1875 | 1525 | 140 | 1815 | 1585 | 42 | 29 | 6 | 1701 | 1698 | 122 | 18 | 110 | 1.15 | 14 | 1945.4 | 135 | 26.8 | 844 |
1.15 | 16 | 1950.8 | 118 | 30.5 | ||||||||||||||||
11 | HSW.40.1880 | 2100 | 1665 | 160 | 2030 | 1740 | 48 | 32 | 6 | 1881 | 1878 | 140 | 20 | 115 | 1.4 | 14 | 2189.8 | 152 | 27.8 | 1400 |
1.15 | 18 | 2194.6 | 118 | 35.8 | ||||||||||||||||
12 | HSW.40.2115 | 2325 | 1900 | 160 | 2245 | 1980 | 48 | 32 | 6 | 2116 | 2113 | 140 | 20 | 115 | 1.4 | 16 | 2406.5 | 146 | 31.9 | 1600 |
HSW.40.2115A | 1.15 | 20 | 2418.4 | 117 | 40 | |||||||||||||||
13 | HSW.40.2370 | 2600 | 2146 | 180 | 2520 | 2220 | 48 | 32 | 6 | 2371 | 2368 | 158 | 22 | 130 | 1.4 | 18 | 2707.3 | 146 | 40.7 | 2100 |
HSW.40.2370A | 1.15 | 22 | 2704.4 | 119 | 49.7 | |||||||||||||||
14 | HSW.40.2600 | 2835 | 2365 | 180 | 2750 | 2450 | 54 | 36 | 6 | 2601 | 2598 | 158 | 22 | 130 | 1.4 | 18 | 2941.7 | 159 | 37.6 | 2400 |
HSW.40.2600A | 1.15 | 22 | 2946.9 | 130 | 45.9 | |||||||||||||||
15 | HSW.50.2820 | 3085 | 2555 | 200 | 3000 | 2640 | 54 | 36 | 6 | 2822 | 2818 | 178 | 22 | 150 | 1.4 | 20 | 3188.4 | 155 | 52.2 | 3400 |
HSW.50.2820A | 1.15 | 25 | 3198.4 | 124 | 65.3 | |||||||||||||||
16 | HSW.50.3120 | 3400 | 2840 | 200 | 3310 | 2930 | 54 | 36 | 6 | 3122 | 3118 | 178 | 22 | 150 | 1.4 | 22 | 3507.2 | 155 | 57.4 | 4000 |
HSW.50.3120A | 1.4 | 25 | 3509.6 | 136 | 65.3 | |||||||||||||||
17 | HSW.50.3580 | 3920 | 3240 | 240 | 3820 | 3340 | 60 | 40 | 6 | 3582 | 3578 | 218 | 22 | 190 | 1.4 | 22 | 4036.1 | 179 | 72.7 | 6700 |
HSW.50.3580A | 1.4 | 25 | 4035.6 | 157 | 82.6 | |||||||||||||||
18 | HSW.50.4030 | 4370 | 3690 | 240 | 4270 | 3790 | 66 | 40 | 6 | 4032 | 4028 | 218 | 22 | 190 | 1.4 | 22 | 4520.6 | 201 | 53.6 | 7700 |
HSW.50.4030A | 1.4 | 28 | 4522.4 | 157 | 68.2 | |||||||||||||||
19 | HSW.50.4540 | 4860 | 4210 | 240 | 4760 | 4310 | 72 | 40 | 6 | 4542 | 4538 | 218 | 22 | 190 | 1.4 | 22 | 4983.1 | 222 | 72.1 | 8760 |
HSW.50.4540A | 1.4 | 30 | 4992.9 | 162 | 99.1 | |||||||||||||||
Nota:
1. N1 è il numero di fori lubrificanti. Coppa di olio M10 × 1JB/T7940.1 ~ JB/T7940.2
2. N-φ può cambiare in foro toccato, la larghezza del dente può cambiare in H-H.
3. La forza del dente tangenziale nella forma è la forza del dente massimo; La forza nominale del dente tangenziale è 1/2 di quella massima.
Casa | Riguardo a noi | Prodotti | notizia | Applicazione | Supporto | Contattaci
