numero Sfoglia:0 Autore:Ruby Zhang Pubblica Time: 2018-03-22 Origine:motorizzato
Per determinare se a Cuscinetto ad anello è appropriato per un'applicazione, viene applicato un fattore di servizio. Fare riferimento alla tabella seguente per una guida al fattore di servizio da applicare all'applicazione. Le curve di valutazione del carico mostrate in questo catalogo sono approssimative e rappresentano un fattore di servizio di applicazione di 1,00. Per determinare la valutazione del cuscinetto richiesto, moltiplicare il fattore di servizio applicabile per i carichi applicati sul cuscinetto e confrontare i carichi risultanti con le curve di valutazione del carico.
Classe di | Considerazioni tipiche | Esempi di applicazioni | Minimo |
LUCE | Caricamento ben definito | Costruzione del servizio leggero montato su pneumatici | 1.00 |
Caricamento ben al di sotto della capacità | Tabella dell'indice di servizio leggero | 1.00 | |
Rotazione lenta, <10% del tempo e intermittente | Manipolatore industriale o robot di servizio leggero | 1.00 | |
Meccanismo gestito a mano leggero | 1.00 | ||
Dispositivi medici leggeri | 1.00 | ||
Piattaforme aeree del servizio leggero | 1.00 | ||
Posizionatori di saldatura | 1.00 | ||
Segni rotanti, display | 1.00 | ||
MEDIO | Caricamento ben definito | Costruzione del servizio leggero montato in pista | 1.10 |
Caricamento vicino o al di sotto della capacità | Costruzione del cortile di rottami | 1.25 | |
Rotazione lenta, <30% del tempo e intermittente | Manipolatore industriale o robot di medio servizio | 1.25 | |
Trasportatori | 1.10 | ||
Tabelle rotanti | 1.25 | ||
Capstan e torni | 1.10 | ||
Trattamento delle acque reflue | 1.10 | ||
PESANTE | Caricamento non ben definito | Attrezzatura per la movimentazione della silvicoltura | 1.50 |
Può verificarsi caricamento oltre la capacità della macchina | Tabelle e giradischi indicizzati pesanti | 1.50 | |
Può verificarsi carico di shock | Escavatori | 1.50 | |
Rotazione intermittente, fino al 100% del tempo | |||
SPECIALE | Caricamento non ben definito | Energia alternativa (vento, idro, ecc.) | TBD |
Rotazione continua | Applicazione offshore | TBD | |
Rotazione ad alta velocità | Cavalcate di divertimento | TBD | |
Carichi pesanti, shock, impatto | Applicazioni di acciaio | TBD | |
Alta precisione, posizionamento | Robotica di precisione | TBD |
Se hai bisogno di assistenza per determinare un fattore di servizio applicabile o desideri una curva di valutazione del carico più dettagliata (consigliata se il fattore di servizio è stato regolato i carichi applicati scendono vicino o oltre, le curve di valutazione del carico mostrate in questo catalogo), si prega di contattare l'ingegneria per assistenza. Si noti che il progettista di apparecchiature è responsabile della determinazione del fattore di servizio corretto, spesso validato dai test.
"Applicazione tipica " di Cuscinetti ad anello mostrerà le condizioni elencate di seguito. Si deve tenere una considerazione speciale alla selezione e alle funzionalità dei cuscinetti ogni volta che le condizioni dell'applicazione differiscono da quelle considerate "tipiche". Quelle condizioni tipiche dell'applicazione sono:
l Asse verticale di rotazione. In sostanza, il cuscinetto montato "piatto ".
l di spinta a compressione e carichi di momento sono predominanti rispetto al carico di tensione.
L Carico radiale limitato a meno del 10% del carico di spinta.
L Per cuscinetti a riga singola, la rotazione intermittente (non continua) non deve superare una velocità della linea di pitch di 500 piedi/minuto.
l Temperatura operativa compresa tra -40ºF a +140ºF.
L geometria della superficie di montaggio e procedure di installazione per garantire la rotondità e la planarità di entrambe le razze. Un approccio di esempio sarebbe quello di applicare un carico di spinta centrato mentre serve i bulloni usando il metodo del pattern stella alternato.
l Verifica di bulloni di montaggio periodici per verificare la corretta tensione.
L è prevista una lubrificazione periodica.
Cuscinetti ad anello sono progettati per adattarsi a carichi radiali, di spinta e del momento significativi come mostrato di seguito:

Ciò è realizzato nella maggior parte dei casi dalla geometria di raceway a quattro punti di contatto a quattro punti, che è simile nel concetto ai cuscinetti a sezione sottile di tipo X. Ciò consente a un singolo cuscinetto di ospitare tutti e tre gli scenari di carico sopra indicati, individualmente o una loro combinazione.
I cuscinetti ad anello di splewing sono usati più comunemente dove la rotazione è lenta, oscillante e/ o intermittente. Per i calcoli del limite di velocità, contattare Silverthin Engineering.
I cuscinetti ad anello con incordi non sono in genere forniti con tolleranze di diametro. Alcune applicazioni ad anello di soldatura richiedono un grado più elevato di precisione. Per il supporto di ingegneria e progettazione su applicazioni speciali si prega di contattare l'ingegneria.
I cuscinetti ad anello di spalla sono spesso usati all'interno e all'esterno in cui è possibile l'esposizione all'umidità e una contaminazione significativa. Le normali intervalli di temperatura da -40 ° F a +140 ° F (-40 ° C a +60 ° C) sono standard. Gli anelli di soldatura progettati per funzionare in ambienti più duri sono disponibili da XZWD, contattare un ingegnere XZWD all'inizio del processo di progettazione per identificare la migliore soluzione del sistema di cuscinetti per ambienti estremi.
Come accennato in precedenza, è meglio montare i cuscinetti in "compressione " come mostrato di seguito. Ciò garantisce che il carico sia trasportato dalle palline, che è rappresentato nella curva del carico fornita. Il montaggio della tensione ha una capacità significativamente inferiore, poiché la resistenza del bullone diventa la considerazione principale per la capacità.

Le superfici di montaggio devono essere lavorate accuratamente per la corretta funzione del cuscinetto. Laddove non è possibile ospitare i motivi a bulloni standard, contattare l'ingegneria dell'argento per opzioni alternative. È necessario considerare il montaggio in tensione o compressione. In tensione, la resistenza del bullone diventa la considerazione del carico limitante, la curva di carico non si applica più e devono essere prese considerazioni speciali. Vedere le linee guida aggiuntive di seguito.
In generale, questa regola empirica fornirà un'adeguata integrità strutturale.
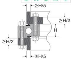
La planarità della superficie di montaggio del cuscinetto è fondamentale per le prestazioni ottimali. Le strutture di montaggio frequentemente vengono saldate o lavorate in modo da indurre sollecitazioni nella struttura. Queste sollecitazioni devono essere alleviate, a seguito del quale la superficie di montaggio del cuscinetto deve essere lavorata piatta. La planarità deve essere considerata:
Direzione circonferenziale (ΔR): la quantità di out-flattness consentita nella direzione circonferenziale per cuscinetti a quattro punti è mostrata nella figura seguente. Questa quantità di out-flattness non deve essere superata in una durata inferiore a 90 ° e non più di una volta in una durata non più di 180 °.
Deviazione di piatto o perpendicolarità ammissibile nella direzione radiale (ΔP): per i disegni del cuscinetto a sfera a quattro punti, questa quantità di piatto ammissibile può essere approssimata usando la formula:
ΔP ≈ 0,001 ∗ DW ∗ P
Dove:
P | = | Dim radiale della faccia della struttura di montaggio (in) |
Dw | = | Diametro degli elementi rotanti (in) |

Si noti che se un'applicazione richiede una maggiore precisione o una coppia di rotazione bassa, potrebbe essere necessario ridurre i valori di ΔR e ΔP. Per i cuscinetti a rulli, la quantità di planarità consentita è di circa 2/3 di quella per una dimensione equivalente cuscinetto a sfera di contatto a quattro punti.

Il grasso è il lubrificante più comune utilizzato nei cuscinetti ad anello e nelle applicazioni degli ingranaggi. La lubrificazione regolare attraverso raccordi di grasso fornito o fori di grasso è necessaria per il corretto funzionamento su anelli di slewing standard. Per opzioni di lubrificazione speciali, contattare XZWD
Il momento di attrito può essere stimato per un cuscinetto ad anello con slewing usando la formula indicata di seguito. I valori risultanti presuppongono che il cuscinetto sia montato secondo le linee guida delineate in questo catalogo. Questa stima si applica solo quando il carico viene applicato al cuscinetto e non riflette la coppia di partenza in una condizione scaricata. Inoltre, non sono considerate coppia di attrito generata dal lubrificante, dai sigilli e dal peso dei componenti. Ciò fornisce tuttavia un punto di partenza e con ulteriori modifiche all'esperienza possono essere apportate nel gruppo per soddisfare la coppia aggiuntiva.
Mf = μ ∗ (4,4m + fa dpw + 2,2 fr dpw) / 2
Dove:
Mf | = | Coppia di avvio del cuscinetto sotto carico (FT-LBS) |
μ | = | Coefficiente di attrito (0,006 in genere) |
M | = | Carico momento (ft-ibs) |
Fa | = | Carico assiale (IBS) |
Fr | = | Carico radiale (IBS) |
Dpw | = | Diametro del tono del cuscinetto (ft) |
Si suggerisce sempre che i bulloni siano selezionati con la consulenza e l'assistenza di un fornitore di hardware di fissaggio. La qualità dei bulloni, le procedure di pretensionamento e la manutenzione possono variare ampiamente.
La disposizione ottimale di bulloneria ha un cerchio di bulloni sia nelle gare interne che esterne con chiusure equidistanti. Ciò si traduce in una disposizione di montaggio più uniforme, producendo le migliori prestazioni tra il cuscinetto e i dispositivi di fissaggio. Ciò non è sempre possibile a causa delle disposizioni della struttura di montaggio e i fori possono essere spostati di conseguenza. In questi casi si consiglia il test per determinare i carichi di bulloni effettivi, convalidare la configurazione del giunto e la procedura di assemblaggio.
Come punto di partenza per determinare il carico approssimativo sul bullone carico più pesante, è possibile utilizzare la seguente formula. Si prega di notare che Silverthin ™ non produce garanzia, espressa o implicita, per quanto riguarda l'adeguatezza del bullone. Si consiglia vivamente di eseguire test per determinare il carico effettivo, poiché questo è l'unico modo affidabile per essere certi.
Rb = | 12 ∗ M ∗ R | ± | Fa |
BC ∗ n | n |
Dove:
Rb | = | Carico totale su bullone carico più pesante (IBS) |
M | = | Carico momento (ft-ibs) |
r | = | Fattore di rigidità. Utilizzare 3 per cuscinetti e strutture di supporto della rigidità media. |
Fa | = | Carico assiale (libbre) Se FA è in tensione, il segno è + Se FA è in compressione, il segno è - |
AVANTI CRISTO | = | Diametro del cerchio del bullone (IN) |
n | = | Numero totale di bulloni equamente distribuiti |
Sf | = | Bolt Factor of Safety. Valore minimo consigliato = 3. Vedere la formula di seguito. |
Sf = | Valutazione del carico a prova di bullone |
Rb |
Diametro del bullone (in) | Carico di prova (libbre) |
1/2 | 17.000 |
5/8 | 27.100 |
3/4 | 40.100 |
7/8 | 55.400 |
1 | 72.700 |
1 - 1/8 | 91.600 |
1 - 1/4 | 116.300 |
1 - 1/2 | 168.600 |
1. Utilizzare bulloni ad alta resistenza Hexagon con fili grossolani secondo SAE J429, grado 8 o ASTM A490/A490M o ISO 898-1, grado 10,9 tensione al 70% della loro resistenza alla snervamento.
2. Utilizzare i dadi del filo grosso della testa dell'esagono, ove applicabile secondo SAE J995, grado 8 o ASTM A563, grado DH o ISO 898-2, Classe 10.
3. Per una tensione di bullone ottimale, il rapporto tra la distanza dalla parte inferiore della testa del bullone alla prima filettatura dell'impegno dovrebbe essere 3,5 o superiore. Il test è necessario per la convalida.
4. Tutti i bulloni di montaggio in un dato anello dovrebbero avere uguale lunghezza del morsetto.
5. La distanza tra la testa del bullone e le filettature del bullone dovrebbe essere almeno uguale al diametro del corpo del bullone.
6. La lunghezza del coinvolgimento del filo del bullone nella struttura in acciaio di accoppiamento dovrebbe essere almeno 1,25 volte il diametro del bullone.
7. Si consiglia i test di banco per convalidare che il metodo di tensionamento del bullone raggiunge i risultati desiderati prima dei test delle apparecchiature.
Quando si installa il cuscinetto, è importante assicurarsi che il cuscinetto sia il più rotondo possibile. Ciò ottimizzerà la distribuzione del carico e promuoverà l'operazione più fluida. Le seguenti procedure sono raccomandate come aiuto.
Utilizzare rondelle in acciaio piatto rotonde indurite secondo ASTM F436 sotto la testa del bullone e anche il dado. Non sono raccomandati i rondelle di blocco e i composti di bloccaggio sul thread.
Installare le rondelle, i dadi e i bulloni nel cuscinetto e nella struttura di supporto e serrano a mano. Non distorcere il cuscinetto per installare bulloni. Applicare un carico di spinta centrato su moderato al cuscinetto. Stringere i bulloni alle specifiche del progettista dell'attrezzatura. Un approccio comune è quello di utilizzare un modello a stella per stringere i bulloni, sequenze come mostrato nel diagramma seguente. Il modello viene solitamente eseguito in 3 passaggi a circa il 30%, l'80% e il 100% della coppia del bullone finale o il livello di tensione specificato dal progettista dell'attrezzatura.
La perdita di un'adeguata tensione può portare a un fallimento prematuro del bullone, fallimento del cuscinetto e struttura, danni ai componenti e mortalità o lesioni a chiunque nelle vicinanze. I bulloni richiedono un'ispezione frequente per una corretta tensione, che viene comunemente realizzata misurando la coppia del bullone.
il contenuto è vuoto!
Casa | Riguardo a noi | Prodotti | notizia | Applicazione | Supporto | Contattaci
