numero Sfoglia:0 Autore:Yingying Zhou Pubblica Time: 2018-08-07 Origine:motorizzato
Il Anello a sfera a sfera a quattro punti a fila singola è composto da due marittimi. Presenta compatti nel design, luce in peso, le sfere contattano con la pista circolare in quattro punti, attraverso i quali la forza assiale, la forza radiale e il momento risultante possono nascere contemporaneamente. , console operative di saldatura, gru leggeri, di medio servizio, escavatori e altre macchine ingegneristiche.
Gli anelli di onda del profilo leggero della serie HS presentano sezioni trasversali rettangolari, che consentono motivi di fori alternati, miglioramento della rigidità e potenziale per una maggiore capacità. Ideale per gru, ascensori aerei, torrini di scavani, giosti da scivolo, rotatori di camion a sollevamento e giradischi industriali.


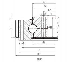
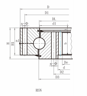
La serie HS condivide lo stesso pignone, attrezzatura e durezza del core di gara. Tuttavia, l'anello di slewing HS presenta una ridotta spazio e sezioni rettangolari che forniscono ulteriore capacità, maggiore rigidità e meno movimento rispetto alla serie RK. Cuscinetti ad anello per onde HS vanno da 20 "a 47 " (da 500 mm a 1.200 mm) con una sezione trasversale standard. Le configurazioni includono ingranaggi non ageiati e interni (con raccordi sul diametro esterno) e ingranaggi esterni (raccordi sul diametro interno). Gli ingranaggi sono progetti di stub con angoli di pressione a 20 °, fabbricati nella classe Q5 AGMA e .015 "a .025 " indennità per il contraccolpo.
I cuscinetti dell'anello da pile HS sono dotati di due raccordi per la lubrificazione, distanziati a 180 °. Le gare orientate hanno toccato i buchi, mentre le razze non tenute hanno i buchi. Tutti hanno sigilli integrali progettati per proteggere dalla contaminazione.
Gli ingegneri XZWD applicano la loro esperienza e competenza per creare un'ampia varietà di soluzioni per affrontare le sfide dei cuscinetti più unici, rendendo il principale fornitore di cuscinetti di gru.
il contenuto è vuoto!
Casa | Riguardo a noi | Prodotti | notizia | Applicazione | Supporto | Contattaci
